HOME | TECH | BUY/SELL | ABOUT VWTYPE3.ORG


Type 3 -- Literature



Clymer, 1972 ("Volkswagen Service Repair Handbook...")
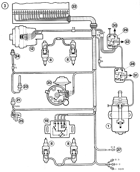
Chapter 7, Figure 3



1. Electric fuelpump
8. Injector
12. Pressure sensor
19. Throttle valve switch with mixture enrichment
20. Ignition distributor with trigger
contacts
21. Thermo (temperature) switch
22. Control unit
23. Temperature sensor in air intake distributor
24. Temperature sensor in cylinder head
25. Coldstart valve
27. From starter terminal 50
28. Pump relay
29. Main relay
30. To ignition terminal 15 (fuse box)
31. To terminal 30 (fuse box)
32. To battery + terminal
T1, T2, and T3: Wire connectors


Copyright Clymer Publications, Overland Park, Kansas.
Used with permission.





This document is: http://www.vwtype3.org/literature/clymer/service/images/1972.07.3.shtml

For questions about this web site, see about vwtype3.org
or send e-mail to webmaster@vwtype3.org.